LMS1-L Series Automatic Transfer Switch Solenoid-type Ats
LMS1-L Series Automatic Transfer Switch Solenoid-type Ats
Model Name: LMS1-L
Rated Voltage: AC230A,AC400V
Rated Current: 63A,125A,250A,630A
Pole: 2P,3P,4P
Product Category: PC Class
Features: 2 Position
Drive Mode: Solenoid-type
Certification: CE, CB, CCC
Standard: IEC 60947-6-1
Model Name: LMS1-L
Rated Voltage: AC230A,AC400V
Rated Current: 63A,125A,250A,630A
Pole: 2P,3P,4P
Product Category: PC Class
Features: 2 Position
Drive Mode: Solenoid-type
Certification: CE, CB, CCC
Standard: IEC 60947-6-1
Product details
LMS1-L can detect the status of two power supply (main power supply and standby power supply) , and automatically switch to the standby power supply in the case of main power failure, too low voltage, too high voltage, abnormal frequency, etc. , to ensure the continuity of the power load, switching time of 30 milliseconds to ensure that electrical equipment will not stop working due to power outages. When the main power supply return to normal, can automatically switch back to the main power supply.
Model Description

Main Technical Parameters
| Model | LMS1-L | ||||
| Insulation voltage | AC 690V | ||||
| Rated voltage | AC 400V | ||||
| Rated current | 20A~125A | 160A~250A | 315A~630A | ||
| Rated impulse withstand voltage | 8kV | ||||
| Kind of throw | Double throw | ||||
| Wiring method | Front board | ||||
| Short-time resistance current | 10kA | ||||
| Through to breaking capacity | 17kA | ||||
| Transfer time | A Power | Input | 80ms | 80ms | 100ms |
| Break | 30ms | 30ms | 30ms | ||
| B Power | Input | 100ms | 100ms | 120ms | |
| Break | 30ms | 30ms | 30ms | ||
| Electrical Life | 1000 | 1000 | |||
| Mechanical Life | 5000 | 4000 | |||
| Use type | AC-33ib | ||||
| Accessaries | Manual handle | ||||
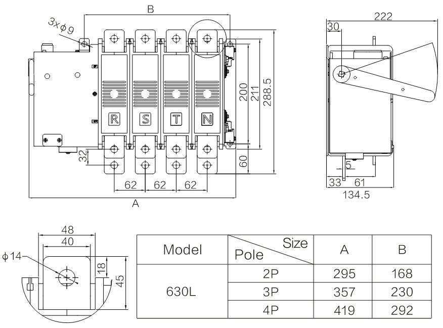
Structure and Mounting Dimensions


Product details
LMS1-L can detect the status of two power supply (main power supply and standby power supply) , and automatically switch to the standby power supply in the case of main power failure, too low voltage, too high voltage, abnormal frequency, etc. , to ensure the continuity of the power load, switching time of 30 milliseconds to ensure that electrical equipment will not stop working due to power outages. When the main power supply return to normal, can automatically switch back to the main power supply.
Model Description

Main Technical Parameters
| Model | LMS1-L | ||||
| Insulation voltage | AC 690V | ||||
| Rated voltage | AC 400V | ||||
| Rated current | 20A~125A | 160A~250A | 315A~630A | ||
| Rated impulse withstand voltage | 8kV | ||||
| Kind of throw | Double throw | ||||
| Wiring method | Front board | ||||
| Short-time resistance current | 10kA | ||||
| Through to breaking capacity | 17kA | ||||
| Transfer time | A Power | Input | 80ms | 80ms | 100ms |
| Break | 30ms | 30ms | 30ms | ||
| B Power | Input | 100ms | 100ms | 120ms | |
| Break | 30ms | 30ms | 30ms | ||
| Electrical Life | 1000 | 1000 | |||
| Mechanical Life | 5000 | 4000 | |||
| Use type | AC-33ib | ||||
| Accessaries | Manual handle | ||||
Structure and Mounting Dimensions


Related Products





